栏目页-导航下方
专家主页 > 个人专栏 > 文章详情

三分钟搞懂电源分类

2021-06-07  作者:小狼

关键词:电源电源原理LDODCDCBUCKBOOST

【漏风书场】科普贴——三分钟搞懂电源分类

 

顺风书场今日借21IC接到说科普。

日前,有朋友要小狼跟电子小白科普电源,电源这玩意,乃电子部品核心,十分简单,无非就是分线性LDO、非线性DCDC,非线性又分BUCKBOOSTBUCK-BOOST,教授们闭着眼都能跟你画道道,确实没啥摆头。

不过,LDODCDC有啥区别,小狼倒想起一个典故,不妨借来说会书场,话说陕西大国长安城,乃历代帝王建都之地,藏龙卧虎,豪杰遍地,说不尽的人才济济,如今单说大唐贞观十三年,长安城西门街上一个术士:姓袁,名守成,相貌稀奇,仪容秀丽,乃是当朝钦天监台正袁天罡的叔父,此人能知未来,善断阴阳,有泾河龙王不服,跟袁守诚打赌次日雨情,泾河龙王私改雨数,不想引来一段杀生之祸。

有朋友听不下去了:打住,小狼,你说了半天,跟电源有傻关系?

切听小狼跟你慢慢道来,我们把水比作电,之前种粮全靠天,下雨就接水,天干就只好拜龙王求雨,下多少算多少,天说了算,下的雨田里有多少就是多少,下到外面的,通通浪费完;

LDO跟以前种田靠求雨,一模一样,都从上面来,我只要这么点,其余的我不管,我只要满足了就行,其他浪费了我也管不着。


有人不干了,说这浪费资料,修个水库,平时蓄水,下游要水就放水,不要就关闸,放水妥妥的。

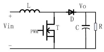
巴克(BUCK)电路一样的,负载要供电,开关管打开,充够了,断一断,等下盘,效率杠杠的。

有朋友问,如果我蓄水池修低了,我住山顶,山顶洞人,我也要水,咋办?加水泵,往上抽,当然,你用牛拉,我也不反对,找张图,大概是这样的!

这玩意和BOOST看起来大概差不多,都是往上抽,只要你控制得好,保证你抽得高,想咋玩咋玩,还有老司机,更能玩,可以想往下放水就往下放,想往上抽水就往上抽,就像牌桌的高手出牌,技术杠杠的。


打个广告,卖个棋谱(Microchip)最近新推出一颗低静态损耗电压转换电源芯片,MCP1641X,最低输入电压可以到0.8V,支持自动输入输出电压旁路,优化电池利用率和效率,用在物联网IoT,效率杠杠的。

我是小狼,漏风书场,下回接到摆。


若发现您的权益受到侵害,请立即联系我们,我们会尽快处理
Copyright 2019 问答维网络信息科技有限公司 windowit.com All Rights Reserved
公司地址:北京市昌平区文华东路8号院1号楼2层237
广播电视节目制作经营许可证编号:京第16563号
ICP许可证号:京B2-20201530 备案号:京ICP备20010935号京公网安备 11011402010812号