栏目页-导航下方
专家主页 > 个人专栏 > 文章详情

科普贴——SuperFlash的前世今生

2021-06-08  作者:小狼

关键词:SuperflashNOR FlashNAND Flash

最近有好几个客人都在问小狼,什么是Flash,傻是NOR Flash,那杀又叫Super Flash?都是Flash,咋这玩意还有这么多分类?
小狼特意猫扑、必应(百度)了一番,Flash是EEPROM的升级版,咋生的?请自行百度。
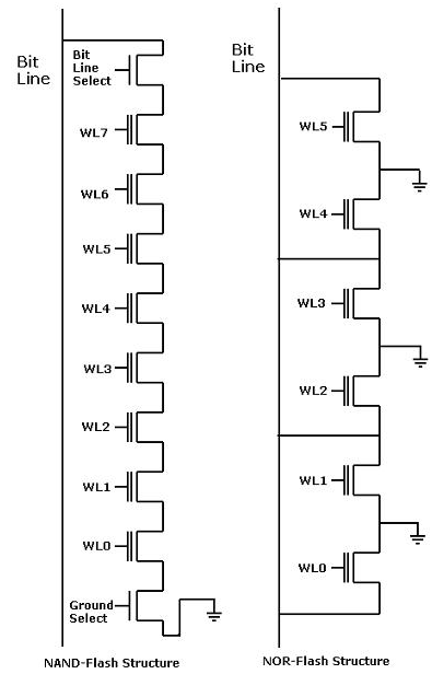
NOR Flash和NAND Flash的区别是啥呢?百度科普:NOR Flash是或非门结构,NAND Flash是与非门结构,NOR Flash密度相对低(图1)。

NOR Flash怎么擦写?写提高控制栅的电压,通过源极向浮置栅注入电荷,电流从浮置栅极到源极,擦就是从浮栅中挪走电荷,简不简单,直不直接?(图2)

等一等,擦是很简单,万一放电放多过界了,咋办?速度放慢点,时间搞久点。 (图3)

有甲方粑粑等不起,咋搞?搞个新技术,SuperMan(SuperFlash)一招搞定,控制栅和浮置栅错错位,随你怎么放,只要不充上天,永远跑不偏。(图4)

写操作,接触面变小,写入速度快,烧写杠杠的,出了名的快,就是容量小了点!(图5)

卖个棋谱旗下Silicon Storage Technology的超级福莱西,据说靠专利起家,专注存储20年,在最近半导体闹***还能保证不断货,还算得上业界一股清流!
主要市场方向:
工业控制核心板、光通信模块、车载产品……
我是小狼!

若发现您的权益受到侵害,请立即联系我们,我们会尽快处理
Copyright 2019 问答维网络信息科技有限公司 windowit.com All Rights Reserved
公司地址:北京市昌平区文华东路8号院1号楼2层237
广播电视节目制作经营许可证编号:京第16563号
ICP许可证号:京B2-20201530 备案号:京ICP备20010935号京公网安备 11011402010812号