栏目页-导航下方
专家主页 > 个人专栏 > 文章详情

玉垒山李冰巧设宝瓶局,文昌庙小狼二说电源计

2021-06-08  作者:小狼

关键词:电源设计BUCKMICROCHIP

日前,小狼借一段泾河龙王与袁守成斗法的典故做一回电源分类,这回,小狼再借一个李冰巧设宝瓶局的典故来说一场巴克(BUCK)电源设计。

列为看官,且说盘古开天辟地,羽化为原始天尊,幻化之时由于西南偏弱,乃用尽全身力气,化出无数山峦以镇,其中一脉龙门山脉,后遇洪灾,发天水,硬生生冲出一平原,灾荒不断。

且说这个龙门山脉青城山旁有一玉垒山,因为阻隔岷江水流,李冰与二郎真君率众设鱼嘴开二渠,分江水为二,又砸玉垒山为离堆,并布下一宝瓶口局,以保成都平原江水绵绵,世代灌溉,永不枯竭,造就一方天府之国的繁荣景象。


有一游方僧,听得益州境,仙道颇多,乃风水宝地,一日游到玉垒阁下二王庙,进庙观摩一番,看那通佑显惠襄护王李冰像,思念:此地果然是个修禅问道的好去处。

飘渺之间,自觉身轻如燕,看那灌江口,宏伟壮观,旁边一个道士仗剑付龙,上前打个问讯,道士回头:吾乃陆海道人,俗名李冰是也。

游方僧问:大王功德巍巍,如何布的如此妙局?造福四方。

李冰开言:此乃是一个蓄水分流的策略,上游发天水,引一渠灌溉田园,水流急,乃开一大口,形如宝瓶,汛期蓄水,枯期续水,以保水流不断,若遇洪峰,借助水位,做一飞沙堰泻一闸,可保洪峰永不犯我。游方僧乃抚掌大笑,果然妙计。


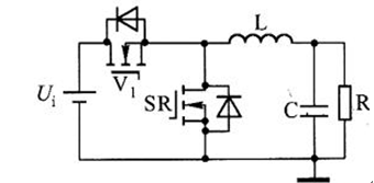
李冰道,万事万物,皆是相通,千年之后,下界有一洋机关,不用人力,单靠一个电力,即可取代民夫,与此如同一策:电来,从鱼嘴分流,设一机关(MOSFET)开闸,又设一宝瓶(电容、电感)续流,电流太大,乃引斜坝(泄流二极管)泄流,乃一箭三雕的良策。


游方僧问:瓶口有何讲究?李冰道:瓶口越大,蓄水越多,僧曰:修一个超级瓶,那岂不水流不断,一劳永逸?李冰正容道,此话不假,这宝瓶劳命伤财,也要因地制宜,够用就好,无限贪大求全,得不偿失。
游方僧乃叹道,如此其淫技巧,即将失传,可惜可惜,李冰道,你拿此下界,离此第四十里有一个文昌庙,那庙门隔壁有个漏风的破屋,房主人平时靠推小机关为生,因一场大瘟疫,只能靠做茶博士糊口,你拿这让他整理一回,以供后人参详,也算你一场功德。游方僧下界苦等千年……
后来,卖个棋谱(Microchip)做一个更奇的局,提高机关频率,让宝瓶(电容)更小,电流长流不断,再搭配一个叫做甚么佰恩斯基(Bourns)的管道,让电源坚固无比,一番大卖。


我是小狼,文昌庙隔壁漏风书场,下回接到摆。


若发现您的权益受到侵害,请立即联系我们,我们会尽快处理
Copyright 2019 问答维网络信息科技有限公司 windowit.com All Rights Reserved
公司地址:北京市昌平区文华东路8号院1号楼2层237
广播电视节目制作经营许可证编号:京第16563号
ICP许可证号:京B2-20201530 备案号:京ICP备20010935号京公网安备 11011402010812号