栏目页-导航下方
专家主页 > 个人专栏 > 文章详情

技术前瞻——能源危机下辅助驾驶算力技术路线展望

2022-10-20  作者:小狼

摘要:随着人工智能、5G技术飞速发展,自动驾驶也得到迅猛发展。它提高了燃料效率、缩短行车时间、也提高乘客体验和道路安全。 自动驾驶技术,依赖于极高的算力。算力,意味着更高的功耗,2022年8月,川渝地区出现严重干旱,产生的电荒对人类影响深远。基于自动驾驶技术的新能源车也是用电大户,对于新能源车来说,如何降低它的功耗,显得尤为重要。
关键词:自动驾驶ADAS新能源算力TSN


前言

随着人工智能、5G技术飞速发展,自动驾驶也得到迅猛发展。它提高了燃料效率、缩短行车时间、也提高乘客体验和道路安全。

自动驾驶技术,依赖于极高的算力。算力,意味着更高的功耗,2022年8月,川渝地区出现严重干旱,产生的电荒对人类影响深远。基于自动驾驶技术的新能源车也是用电大户,对于新能源车来说,如何降低它的功耗,显得尤为重要。


辅助驾驶系统(ADAS)的技术演进

曾几何时,博世、大陆、德尔福、采埃孚等汽车巨头把控着整车上最核心的技术,拥有着绝对的议价能力,甚至他们的开发进度直接决定了车型的研发周期。在这些传统汽车电子产品上,巨头Tier 1们拥有无可匹敌的竞争力。



◆传统分布式ECU系统架构

这些传统分布式ECU架构燃油车系统由相互独立的子系统组成,各子系统完成相互独立的功能,各ECU之间采用低速的CAN或者LIN总线通信。各系统只能做一些简单的预警,无法实现传感器深度融合。


辅助驾驶系统(ADAS)域架构

随着智能化、自动化、移动计算平台等技术的不断整合,同时,多传感器融合技术也愈加成熟。包括安波福、博世等Tier1巨头,以及大众、宝马等车企开始探索新型的电子电气架构,传统分布式的汽车电子电气架构正在向域集中式架构演进。

各大车厂正在全力备战高级自动驾驶的量产,未来,多传感器融合已经成为高阶自动驾驶应对复杂场景与安全冗余的必然趋势。


中央计算架构展望

随着5G和6G技术的不断升级,未来的驾驶技术将会朝着开放式、平台化、云+单车的模式不断演进,实现完全自动驾驶。


算力技术基础

视觉识别算法原理

传统自动驾驶领域,主要采用视觉识别算法来做信号处理,视觉识别算法基本上都基于卷积神经网络,视觉算法的运算本质上是通过一次次的卷积运算。

这种计算并不复杂,本质上只涉及到加减乘除,也就是一种乘积累加运算。但这种简单运算在卷积神经网络中是大量存在的,这就对处理器的性能提出了很高的要求。


累加器单元模型

乘积累加器是在数字信号处理器或一些微处理器中的特殊运算。实现此运算操作的硬件电路单元,被称为“乘数累加器”。这种运算的操作,是将乘法的乘积结果和累加器 A 的值相加,再存入累加器。


具体来说,乘加模式乘法器的运算结果就是一系列输入数据乘以一系列被乘数所产生的部份积的和。这种乘加结构采用累加的方式得到最终的乘法结果。


视觉识别算法的功率和效率

视觉识别算法主要是以微软研究院提出的残差神经网络(RstNet)为基础的一种智能识别算法技术。

我们以ResNet-152为例,它是一个152层的卷积神经网络,如果处理一张224*224大小的图像,需计算量大约是226亿次。

目前,各大车厂正在全力备战高级自动驾驶的量产。处理这些数据需要非常强大的计算能力,L2级自动驾驶的算力要求大概是10+TOPS,但是到了L4/L5级自动驾驶算力则需要达到1000+TOPS,同比翻了100倍。


ADAS高功耗、低效率所带来的能源危机

新能源车发热和能耗问题

根据中国国家应急管理部门统计,2022年第一季度,智能汽车发生自燃的事故一共发生了640起,平均1天有7辆电动车发生自燃。电动车起火的原因主要是以下几点:电池过热、电池老化、电池遭受碰撞、高负荷运行等等。其中,电池的高负荷运行是最严重的原因之一。


视觉算法算力的高功耗和低效率

2003年7月,马丁.艾伯哈德和马克塔.彭宁创立了特斯拉,接着,传奇人物埃隆.马斯克加入特斯拉,提出视觉路线,通过视觉算法来实现自动驾驶。各大Tier 1大厂纷纷进入算力的军备竞赛,算力不断翻翻,寒武纪宣称他们将发布一款超过200TOPS的ADAS芯片。

特斯拉目前最顶配的摄像头,需要144TOPS的算力,英伟达的自动驾驶试验车型用的摄像头高达800万像素,按照视觉算力模型,我们需要达到1000TOPS的算力才能满足需求,如此大的算力需要消耗极高的功耗。


ADAS的多传感器融合策略

实际上自动驾驶领域,变化的区域占整个图像的很小一部分,大部分视觉数据是无用数据。传统的视觉处理花费了大量精力来处理这些无用的背景,这浪费了大量的算力和时间。采用事件处理系统,通过时间系统触发判断方式,可以提高100-1000倍的处理速度,减少运算量。

事件相机无法提供深度信息,我们目前依靠相机的计算方式还属于简单的蛮力计算。采用事件相机结合激光雷达、毫米波雷达、超声波雷达等方式就可以实现完美的3D感知。同时,也可以避免依靠海量数据和海量算力造成的资源浪费。


ADAS域架构多传感器融合技术

多传感器同步问题

图像事件系统能解决视觉识别的大部分算法,但是,它也存在一些局限性。除了传统的图像算法,激光雷达、毫米波雷达、超声波雷达也越来越多地被用于ADAS。随着ADAS的智能化要求的不断提高,自动驾驶系统需要采用多个不同类型的传感器协同处理的方式实现。

各传感器采集数据,然后通过总线发送给域控制器,存在一定程度的延时,并且,各传感器延时的时长不固定。为了提高自动驾驶的传感器之间的深度融合、决策规划和融合定位等性能,自动驾驶高级域控制器与其关联的传感器均需要做时间同步。

常用的时间同步主要包括:GPS同步、SyncE、NTP和PTP(IEEE 1588)时间同步。对于ADAS来说,主要采用的是时间敏感网络TSN(Time Sensitive Network)技术。

TSN最初来源于音视频领域Ethernet AVB的应用需求,用于解决音视频网络的高带宽、高实时性、和高传输质量的需求。TSN的核心原理是基于时间流量调度和管理,通过TSN网络中的时间感知整形器TAS(Time Aware Shaper)的调度来实现的。

TSN是基于IEEE 802.1AS协议来实现的,IEEE 802.1AS是从IEEE 1588v2衍生出来的一个协议,主要特点是相比较1588v2的报文发送周期更短,时间同步更稳定。

TSN可以比较精确的计算出传输线的时延问题。但是,如果主从设备采用自己独立的时钟,还会存在频偏问题,这就需要采用精度非常高的晶振来实现传输功能。基于成本等综合考虑,我们通常采用OCXO/VCXO+PLL的方式实现从设备时钟的频率锁定,与主时钟实现频率同步。

在ADAS应用中,采用TSN结合OCXO+锁相环的方式,就可以实现各传感单元和GPU/FPGA的时间同步,消除累计误差,实现时钟源的统一和多传感器完全融合。


传感器高速数据交换问题

图像事件系统含有海量数据,要满足多传感器深度融合,这些数据就必须要在极短时间完成信息交换。受流线型处理器启发,人们一直采用独立于处理器的32位或64位局部总线。该总线最高工作频率为33MHz/66MHz,峰值速度达533MB/s。这种总线被称为外设互联标准总线(PCI总线)。

后来,在PCI总线的基础上,又衍生出PCI-X总线协议,其工作频率提高到133MHz,峰值带宽达到1064MB/s。再后来,又发展到PCI-X 2.0。

PCI总线在发展到PCI-X 2.0之后,传输速率很难做进一步的提升。这是因为,时钟和数据信号之间的传输线寄生电感形成串扰,严重影响数据信号的波形,很容易对采样信号形成误判,影响通信效率。

数字信号在高速传输的时候,很容易产生天线效应,向周围辐射,产生电磁感应,形成码间干扰。码间干扰,包括感染源信号和***扰信号。这导致传输信号判决门槛的不断提高。为了提高抗码间干扰问题,有人提出采用差分传输模型。

这种差分信号传输方法,后来经过一系列演变和改进,发展成后来的USB和PCIe传输总线,PCIe总线经过迭代,现在已经演进到现在都PCIe5.0,根据最新消息,PCIe刚刚已经发布PCIe6.0和PCIe7.0规范。


不同技术算力的功耗对比

基于SRAM工艺的动态功耗

目前,市面上大部分视觉算法处理系统都是基于GPU和FPGA实现的,这些处理器大部分都是基于静态随机存储器(Static Random Access Memory,SRAM)工艺为核心单元。

SRAM单元用六只N沟道CMOS管组成,其中四个CMOS管组成基本RS触发器,用于**二进制代码,另外两个做门控开关,控制触发器和位线。

由于SRAM的上管和下管都是工作在深度饱和状态。所以,CMOS反相器从一种稳定工作状态转变到另一种稳定工作状态时,会出现上下管同时导通的情况。此时,CMOS的内阻非常小,此时对应的电流会非常大,所以,产生的动态功耗非常大。


基于Flash工艺的动态功耗

除了基于CMOS的SRAM处理器之外,Microchip还推出一种基于叠栅MOS的Flash架构FPGA处理器。

Flash架构的FPGA最大的一个特点,工作点是静态的,动态切换也不会出现大的电流波动,可以节约高达50%的功率损耗。Microchip最新PolarFire与同类器件28nm产品相比,其算力能做到其他器件2.6 倍GOPS/W。


世健系统代理Microchip基于ADAS技术一揽子解决方案

在政策、互联网跨界竞争、消费者内在需求等因素驱动下,ADAS渗透率将快速提升。也有一些低端车型,也开始搭载部分ADAS功能,提升卖点。


Microchip基于时间敏感网络解决方案

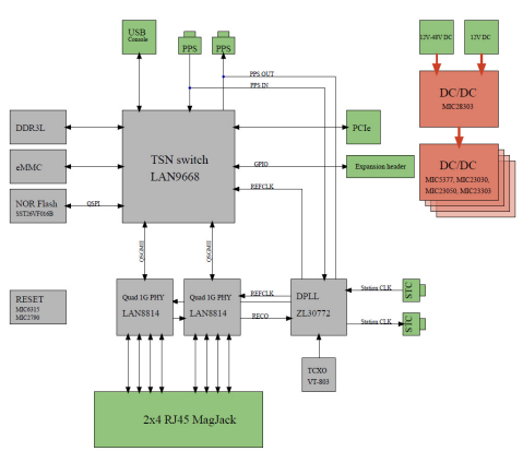
Microchip推出LAN937X系列TSN交换器件。作为业界符合IEEE 802.1AS标准的功能的交换解决方案,可实现更低延迟的数据流量和更高的时钟精度。下一步,Microchip还会推出集成1000 BASE TI PHY的LAN969X系列产品。

TSN可以实现网络传输延迟,但是,由于时钟晶体存在频偏差异,可能引发不同节点之间的频率误差,为了解决频偏问题,人们通常会在节点中,采用PLL锁相环和VCXO来锁定时钟频率。同时,为了更进一步同步GPS的1PPS时钟,还需要同步1PPS时钟。Microchip的ZL307XX系列集成5个PLL ,支持1PPS,SYNCE。满足大部分以太网时间同步要求。目前,Microchip已经和部分车企展开合作,开始评估Microchip的时钟解决方案。

LAN93XX搭配1000BASE-T1 PHY LAN887X,配合同步数字锁相环 ZL307XX的精确计时的IEEE 1588v2和IEEE 802.1AS-2020、用于多传感器时间同步,符合IEEE P802.1Qci、IEEE P802.1Qav等,可以满足ADAS实时联网的需求。针对低端市场,Microchip的LAN937X配合100BASE-T1 LAN8770,也可以满足客户需求。


Microchip首款车用PCIe交换机介绍

2022年2月,Microchip宣布推出市场上首款汽车级认证的PCIe交换机PM430XX/PM440XX。新发布的PFX、PSX和PAX交换机解决方案为ADAS提供了尖端的计算互连能力,第4代PCIe交换机提供高速互连,支持ADAS架构中的分布式实时安全关键数据处理。


Microchip基于FLASH工艺的低功耗FPGA介绍

因为Microchip所采用Flash工艺这一独特的工艺制程,其功耗最多只有相同制式的FPGA的50%。

在ADAS机器视觉算法应用中,采用Microchip的FPGA做摄像头前端采样、预处理,图像拼接等应用中,有着很好的表现。

Microchip带功能安全的PolarFire FPGA系列内置安全加密认证、可以保护设计、数据、网络不受攻击,Flash自带SEU免疫性能的FPGA,是数据中心、工业、汽车和航空航天应用的理想之选。

除此之外,Microchip集成功能安全的MCU、DCDC、USB HUB、AES加密芯片,以及诸如CAN、LIN总线等,也是ADAS和汽车行业应用的主流方案。针对Microchip基于ADAS技术一揽子解决方案,Excelpoint世健都提供相应的技术支持和指导,降低视觉算法算力的功耗,提高效率,助力自动驾驶技术发展。


若发现您的权益受到侵害,请立即联系我们,我们会尽快处理
Copyright 2019 问答维网络信息科技有限公司 windowit.com All Rights Reserved
公司地址:北京市昌平区文华东路8号院1号楼2层237
广播电视节目制作经营许可证编号:京第16563号
ICP许可证号:京B2-20201530 备案号:京ICP备20010935号京公网安备 11011402010812号