栏目页-导航下方

    可编程晶振之站

    提供各种频率晶振

    熟悉时钟的原理并可以提供晶振样品

    已关注 取消关注 已被3人关注
专家主页 > 个人专栏 > 文章详情

石英晶振原理与应用

2021-12-06  作者:可编程晶振之站

摘要:石英晶振与 Microchip IC
关键词:石英晶振MICROCHIP



石英晶振原理与应用



简介 

石英晶振是一种非常稳定和精确的谐振器。石英晶振用于在电子电路中提供频率参考已有近一百年的历史。20 世纪 40 年代,由于第二次世界大战期间对可靠的无线通信的突发需求,石英晶振制造实现了产业化。在此之 前,晶振的主要使用者是业余无线电爱好者,正是在他们的帮助下,美国的石英晶振产业在此期间得以发展壮 大。当时采用的是天然石英,只有少数矿山可提供性能良好的石英晶振所需的纯度。如今,具有更高纯度的合 成石英已取代天然石英,成为时序和通信应用中的关键组件。本应用笔记将阐释如何选择或指定与 Microchip 时序 IC 搭配使用的石英晶振 (见图 1)。


image.png

 图 1: 晶振与 Microchip IC 搭配使用的示例 


晶振的工作原理 

晶振本身是无源器件,需要一个电子电路 (晶体振荡 器)来产生一个参考时钟信号。为了使晶振振动,将电 极放置在石英表面上。石英具有压电特性,两个电极之间的电压使晶振改变形状。另一种可行方法是通过向晶 振施加压力来改变其形状。这会导致两个电极之间出现一个电压。电压和机械形状之间的这种相互作用会在一 块石英的机械共振时产生有用的电阻抗特性。晶振在机械共振时从交流电压中吸收电能。换句话说,在机械共 振时电阻抗会下降,因此晶振可作为滤波器,传递谐振频率。振荡器电路利用这一特性可建立在此谐振频率下 的参考时钟信号。 图 2 中是石英晶振的传统结构的一个示例。在该示例中,石英晶振的形状为圆盘状。电极放置于圆盘两侧, 以施加电压。为保持频率精度,要防止石英晶振变脏或电极氧化。通常将晶振放置在密封的外壳中,以保持洁 净。图 2 显示了一个金属罐外壳,其盖子已去除。尺寸 较小的表面贴装陶瓷外壳更加普遍。 

image.png

图 2: 石英晶振的传统构造 


大多数晶振(包括上图所示的晶振)都会以圆盘厚度振 动。请注意,圆盘越薄,其振动频率越高。要制造具有 特定频率的晶振,必须仔细调整厚度以达到目标频率。 最终校准是通过从远离电极上蚀刻掉少量金属(通常是 银)来完成,以减少其质量并迫使频率上升。在蚀刻 (或离子束调谐)过程中监视晶振频率,并在达到目标时停止。 


石英晶振与 Microchip IC   

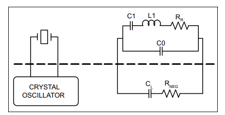
许多 Microchip 时序 IC 使用石英晶振作为频率参考。石英晶振具有指定的参数,需要与振荡器电路的参数相匹 配,才能满足频率精度并提供可靠的操作。这些参数可以通过下面图 3 中的石英晶振的电气模型以及晶振与振 荡器的简化模型来说明。 

image.png

图 3: 石英晶振的电气模型 / 晶体振荡器的简化模型 


图 3 中的参数如下: 

• C1 – 晶振动态电容 

• L1 – 晶振动态电感 

• RR – 晶振谐振电阻 

• CL – 振荡器负载电容 

• RNEG – 振荡器增益,呈现为负值电阻 

image.png


参数说明 

C1 和 L1 

动态电容(C1)代表石英的弹性,而动态电感则(L1) 代表动态质量。因此,C1 和 L1 电路是石英晶振中机械 谐振的电谐振槽路表示。当试图通过改变晶体振荡器中的负载电容来调谐晶振频率时,C1 的值很重要。C1 的值越大,相同负载电容变化产生的频率偏差就越大。例 如,在 Microchip 的 PL500、PL502、PL520 或 PL586 系列产品中的压控 XTAL 振荡器 (voltage-controlled XTAL oscillator, VCXO)中,这一参数很重要,因为 VCXO 需要具有特定的频率调谐范围。如果不存在频率调谐, C1 的值就不那么重要。为了减小负载电容的变化对频率的影响,可能需要 C1 的值较小。通常未指定 L1 的值,而是指定了频率,我们可以根据 C1 和频率计 算出 L1。 如 果 对 于 达 到 一 定 的 频 率 调 谐 范 围 至 关 重 要, Microchip 将会指定 C1。如果未指定,则由晶振制造商根据可制造性选择最佳值。 


RR、 ESR 和 RNEG 

谐振电阻 (RR)代表晶体谐振时的损耗。晶体振荡器的负电阻将稳定在一个恰好可抵消晶体谐振正电阻的值 上,从而实现永续振荡。由于 C0 的存在,该电路中的 RNEG 和 RR 值不相等。在典型的晶振规格中,标注了等 效串联电阻(ESR)的值。该值与电路中的 RNEG 的值 正好相反 (为正),可从 RR、 C0 和 CL 值计算得出。 首次启动晶体振荡器时, RNEG 的值必须比 ESR 大很 多,以快速增大振荡信号。一个好的经验法则是使RNEG值至少等于晶振 ESR 值的三倍(3 倍),以确保晶体振 荡器的可靠启动。当振幅达到特定幅度时,振荡器放大器的非线性特性将阻止信号进一步增加, RNEG 值将有 效地降低至与 ESR 值相等,实现永续振荡。设置晶体振荡器稳定在的振幅有多种不同的方法。 Microchip 可 以在其时序 IC 中提供 RNEG 的值,并可推荐 ESR 或 RR,以确保正确启动振荡器。 


C0 

C0 是晶振的并联电容或保持电容。它通常由晶振中的电 极产生。当频率不接近晶振的机械共振频率时,石英晶 振的特性类似于一个电容值为几皮法(pico-Farad,pF) 的普通电容。C0 是晶振中的寄生电容,只会对性能产生 负面影响。 Microchip 将指定一个最大值,以使 C0 不会 对晶体振荡器的启动或频率调谐产生过多干扰。 


CL 

负载电容(CL)是晶体振荡器的属性。它的值会影响振荡器的准确振荡频率和稳定性。为了确保频率精度,对 晶振进行校准,以使其在标称频率和特定的负载电容值 条件下发生谐振。Microchip 会在其时序 IC 中指定晶体 振荡器电路的 CL 值,以确保能够选择合适的晶振。理论上,晶振制造商可以设定任何 CL 值,但大部分代理商都提供最常用的值。有时,为了使用具有特定 CL 值的常用晶振,可以利用一个附加电容进行小幅调整,以 匹配 CL 值。请与 Microchip 联系,以获取有关特定时序 IC 可承受的具体调节量的准确建议。 利用 Microchip 的 PL610、 PL611 和 PL611s 系列等可编程时钟发生器,可对 CL 进行编程,并且可以针对特定晶振并结合 PCB 走线电容,进行定制。通常,驱动一个大的 CL 需要更多的增益和功率。 


FL 

FL 表示晶体振荡器将会发生振荡的负载频率。对于晶振而言,它是针对 CL 在特定值下指定的振荡频率。为晶 振指定的标称频率将是此负载频率。


 FS 

晶振的串联谐振频率 (FS)取决于 C1 和 L1。 FS 是晶振阻抗最低的频率,因此,使用 50Ω 阻抗 / 网络分析仪 很容易找到这一频率。某些振荡器可以在该频率下振荡,但这不是典型情况。 


参数的相互影响和依赖关系 

“完美”的晶振应具有低 RR 或 ESR 和低 C0 值,以及在需要频率调谐时具有大的 C1 值。遗憾的是,由于参 数之间的物理依赖性,这种 “完美”的晶振并不存在。 加大电极的尺寸可以有效地增加C1值、降低RR或ESR值,同时也会增加 C0 值。电极的尺寸还受限于石英圆盘的有效面积和总尺寸。最小的 SMD 晶振并不适合用 于 VCXO,因为它们的 C1 值无法增大到足以实现充分的频率调谐。通过使用较大的晶振,可以创建一种设 计,为 VCXO 提供较大的电极,为非调谐振荡器提供较 小的电极。使用最小的 SMD 晶振,可实现的最佳效果 是针对低 RR 值的优化。 

C0 和 C1 之间有一个相对恒定的比值,具体取决于电极 对石英压电特性的驱动效率。C0/C1 的比值越低,压电 特性的使用效率就越高。通常,大型晶振的 C0/C1 比值 接近 200,效率最高。2 mm x 1.6 mm 或更小的小型陶 瓷表面贴装晶振的 C0/C1 比值约为 400,其 “可拉动 性”较小。 


泛音 

AT切型石英晶振可能会在各种不同的谐波频率下振动。 最常见的振动是 “基本模式”。此模式为 1 次谐波和最 低谐振频率。使用 AT 切型石英时,泛音出现在基本模式频率的奇数倍处。例如,存在3次泛音和5次泛音等。 每个泛音在晶振模型中都可以用一个额外的 C1-L1-RR分支来表示。通常,泛音越高,其 RR 就越高。这在最 低 (3 次和 5 次)泛音下最为准确。通常,晶体振荡器 在较低频率下具有更高的振荡器增益 (更大的负电 阻)。当泛音的 RR 值较大时,晶体振荡器将始终以基本模式频率振荡,而无需任何额外的滤波。要使振荡器 在 3 次泛音处振荡,最简单的方法是使用高通滤波器抑制基频附近的振荡器增益。如果在 3 次泛音频率处有足 够的振荡器增益以克服 3 次泛音处的 RR,则振荡器将在 3 次泛音频率处振荡。要在 5 次或更高泛音处振荡, 建议使用带通滤波器来抑制更高和更低的音调。 晶体谐振频率是石英片厚度的函数。为了提高频率,需 要减小石英片的厚度。晶振越薄,制造过程中就会越难处理。在泛音条件下使用晶振是一个折衷方案,虽然晶 振本身更便宜,但会使振荡器电路变得更为复杂。 泛音处的振动质量相同,从而使泛音条件下与基本模式 下的 L1 值大致相同。这会大幅减小 C1 值,从而提高频率(理论上,3 次泛音下将减至 1/9,5 次泛音下将减至 1/25,依此类推)。由于 C0/C1 比值较高,这种泛音操作不适合用于 VCXO 设计。 


反向台面技术 

反向台面技术使晶振片中间部分的晶振非常薄。仅将电极放置在较薄区域内时,较厚的外围边缘易于处理,而 中心部分较薄则可使基本模式频率较高。 反向台面技术相对昂贵,但是一些应用证明了其成本的合理性 (例如高频条件下的 VCXO 设计)。 Microchip 可提供高频 VCXO IC(如 PL520 和 PL586 系列),能 够与反向台面晶振搭配,实现出色的性能。此外, Microchip 的 PL686-05 和 PL610-01 也可以搭配高频反向台面晶振一起工作。 


驱动电平 

晶振中消耗的功率即为驱动电平。在一定的驱动电平之上,晶振会显示出非线性特性,从而导致不良的副作 用。可能会与不必要的模式发生耦合,从而导致频率不稳定。Microchip 将指定时序 IC 的典型 IC 驱动电平,以 便选择可正常发挥功效的晶振。 


Q 因子 

Q 是一个表示能量效率的参数。与由分立元件制成的谐 振槽路电路相比,石英的 Q 因子很大。通常对石英晶振 不会指定此参数,但往往会有期望值。高 Q 因子使频率 非常稳定,而且高 Q 因子带来的另一个结果是振荡器信号中的噪声非常低。 AT 石英晶振的 Q 因子可高于 20,000,最高 300,000。


晶振频率精度和稳定性 

与诸如 LC 槽路或其他材料 (如陶瓷谐振器)等替代技 术相比,石英晶振的谐振频率非常稳定。如果使用得 当,石英晶振就其成本而言可提供非常精确的频率参 考,这也是石英晶振颇受欢迎的主要原因。频率精度和 稳定性可分为以下几项: 

室温下的校准公差:这是在标称条件下的频率精度。 为了便于识别,“容易”为 ±50 ppm,“中等”为 ±25 ppm,“困难”为 ±10 ppm。 

• 温度漂移:以标称条件下的频率为参考,频率会随特 定的温度曲线漂移。温度曲线可以使用一个三阶多项 式方程进行建模,并且通常将晶振设计为在特定温度 范围内最大程度减少漂移 (见图 4)。建议选择指定温度范围与晶体振荡器电路的外露温度相同的晶振。 两个最常见的温度范围是工业级(–40°C 至 +85°C) 和商业级 (0°C 至 + 70°C)温度范围。较宽的工业级温度范围会导致更大的漂移值,或者很难满足某些漂移要求。对于工业级温度范围,小于 ±20 ppm 的漂 移被视为 “困难”,但使用商业级温度范围要达到相同的数值则相对较容易。对于商业级温度范围,小于 ±10 ppm 的漂移被视为 “困难”。 

• 老化:由于老化,石英晶振的频率会随时间的推移而缓慢漂移。机械应力会随时间的推移而松弛。环氧树脂的放气或湿气会与电极发生反应,使晶振变重。通常,频率会随着老化而向下漂移。晶振在使用的最初几年中会快速老化,但随着时间的推移老化速度会放缓。有时,制造商会在工厂对晶振进行预老化处理, 以满足一个极为严格的老化规格。典型的老化规格为 5 ppm/ 年。有时,第一年的规格值为 5 ppm,随后会降低。 

• 总稳定性:该数字包含以上所有内容,实际上是指定石英晶振频率精度的最常用方法。它保证了晶体振荡 器频率在所有条件下以及器件使用寿命期间都不会漂 移到某个范围之外。即使在 -40°C 至 +85°C 的温度范围内,诸如 ±100 ppm 的总频率漂移数也相对容易实现。中等值为 ±50 ppm,低于此数值,很快就会变得非常困难。为了满足总稳定性的要求,晶振制造商可以针对每个单项进行频率精度优化,以实现最佳的可制造性。 Microchip 的 IC 对其输出时钟的精度和稳定性并无显著 影响。频率精度将由石英晶振参考决定。

 

image.png

图 4: AT切型晶振的温度特性 

若发现您的权益受到侵害,请立即联系我们,我们会尽快处理
Copyright 2019 问答维网络信息科技有限公司 windowit.com All Rights Reserved
公司地址:北京市昌平区文华东路8号院1号楼2层237
广播电视节目制作经营许可证编号:京第16563号
ICP许可证号:京B2-20201530 备案号:京ICP备20010935号京公网安备 11011402010812号